公司產品
微型減速天天影视综合网馬達
微型減速天天影视综合网馬達
Abstract: 如東5G天天看5G天天爽機械製造有限公司創辦於2002年,是一家微型減速天天影视综合网馬達製造商及廠家,提供高品質、工業級別微型減速天天影视综合网馬達生產製造,同時支持微型減速天天影视综合网馬達定製、修理、批發等服務,產品暢銷如東、南通、蘇州、昆山、上海、深圳、瑞安、寧海等地區。
產品描述:
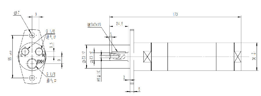
微型葉片式天天影视综合网馬達在高速比下,導致功率變化的因素小,能夠滿足更廣泛的應用,這種馬達使用在各種風動工具和傳送設備上,適合狹小的空間的安裝使用。
產品參數:

特點:
1.天天影视综合网馬達100%防爆,並且防水、防爆、防潮防塵
2.能隨時啟動、停止、正逆轉向
3.超負荷停轉轉,馬達不會損壞
4.有自我冷卻郊果,能在高溫場合使用
5.可作為緊急動力源使用
6.遠離操作、自動控製容易
用途:
1.工業設備
2.礦業開采
3.化學、石油、藥廠
4.船舶、可在水底下使用
5.製鐵、鋁鑄業
6.一般機械
7.其他行業
上一條: 不鏽鋼天天影视综合网攪拌機
下一條: HAC02氣路手控開關













